Инсталляция Grohe Rapid SL для унитаза без клавиши (38584001)
Инсталляция Grohe Rapid SL 38584001 — это стальная рама для монтажа подвесного унитаза, которая превращает санузел в пространство с безупречным дизайном и высокой функциональностью. Модель произведена в Германии и соответствует строгим стандартам качества бренда Grohe, что подтверждается 10-летней гарантией.
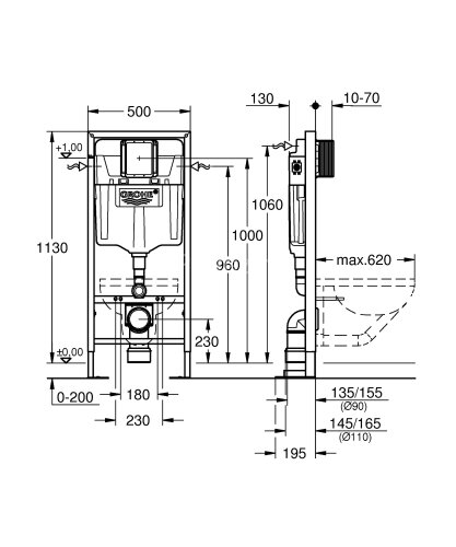
Система Rapid SL создана для быстрого монтажа и предоставляет несколько вариантов установки: как перед стеной, так и в составе перегородки. Рама изготовлена из металла с прочным порошковым покрытием и является самонесущей, что обеспечивает устойчивость даже при интенсивной эксплуатации. Конструкция усилена креплением к полу, а в комплекте поставляются все необходимые элементы для фиксации: крепежный материал, два болта-держателя для унитаза с расстоянием 180/230 мм и крепление для керамики.
Особенности инсталляции:
- Высота рамы — 113 см, ширина — 50 см, что позволяет удобно разместить систему в стандартных санузлах.
- Подключение воды возможно с трех сторон: слева, справа или сзади, что облегчает встраивание в существующую разводку.
- Выходной патрубок для унитаза диаметром 90 мм и редуктор 90/110 мм обеспечивают совместимость с большинством моделей сантехники.
- Бачок скрытого монтажа имеет объем 6/9 литров и оснащен пневматическим клапаном с тремя режимами смыва: двухобъемным, старт/стоп и непрерывным.
- Изоляция от конденсата предотвращает образование влаги на поверхности.
Инсталляция Grohe Rapid SL поставляется в собранном виде и готова к облицовке. Мы доставляем товар во все регионы и предлагаем услуги профессионального монтажа.



































































































































































































































































































































